重庆**公司咨询集装箱内安装无损检测设备
时间:2019-06-27 09:45
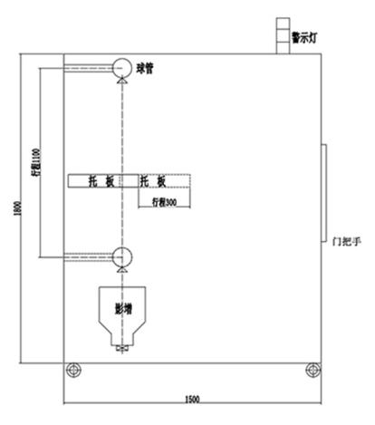
重庆**公司咨询集装箱内无损检测设备。他们在用户现场看到过我司的设备,也做了测试,感觉效果还是不错的,所以前来具体咨询 下。客户称他们也是做环氧树脂的。加微信发产品资料给客户,客户称他们的产品和我们宣传资料上是 样的,将测试效果图发给客户。目前客户手里有个宽3米,长9米,高3米的集装箱,他们想把集装箱放在室内,然后把我们的X光机设备装在集装箱内。询问我司设备对环境有什么要求,告之x光机若是长时间处于开机使用状态下,会 直散发热量的,周围环境好是干燥通风的。温度高的话,我们 般都是建议安装空调。对于集装箱需要整体做防护,好是用铅皮做。再好防护后再把我司的X光机装上就可以了。集装箱内装无损检测设备的效果图如下。

如果您需要采购无损检测设备欢迎致电:0536-8322186或18953679166!